Поиск товара:

Муфта электромагнитная ЭТМ 102-1А (контактная, масляная, шпоночное посадочное отверстие) ГОСТ 21573-76

Артикул: 47488

Состояние: Новый

Кол-во на складах: 2 шт.

Вес: 3600

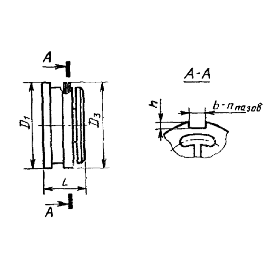
Описание товара: D1-135мм; D3-125мм; L-52мм; d1-40мм; b1-10мм; (d1+t1)-43мм; b-16мм; n-6шт; h-5,5мм. Номинальный передаваемый момент, Мн, - 250Нм. Номинальное напряжение питания, Uн - 24В. Номинальный вращающий момент, Мв - 160Нм.

Цена:
7 245 Руб.
Цена на товар указана с учетом НДС 5%

Счет на оплату придет автоматически, после оформления заказа через корзину.

Доставка по всей России