Поиск товара:

Муфта электромагнитная ЭТМ 112 к -2А (контактная, масляная, шпоночное посадочное отверстие, 150х60) ГОСТ 21573-76

Артикул: 32351

Состояние: Новый

Кол-во на складах: 1 шт.

Вес: 5350

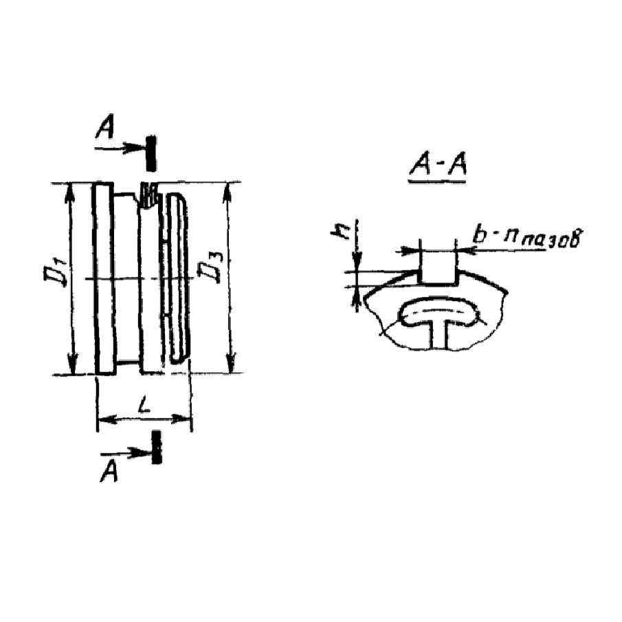
Описание товара: D1-150мм; D3-140мм; L-60мм; d1-40мм; b1-12мм; (d1+t1)-43,3мм; b-16мм; n-8шт; h-5,5мм. Номинальный передаваемый момент, Мн, - 400Нм. Номинальное напряжение питания, Uн - 24В. Номинальный вращающий момент, Мв - 250Нм.

Цена:
12 390 Руб.
Цена на товар указана с учетом НДС 5%

Счет на оплату придет автоматически, после оформления заказа через корзину.

Доставка по всей России