Поиск товара:

Долбяк чашечный прямозубый м4,5 20° Кл-В Z=22 Р18 ГОСТ 9323-79

Артикул: 48864

Состояние: Следы экспл

Кол-во на складах: 1 шт.

Вес: 976

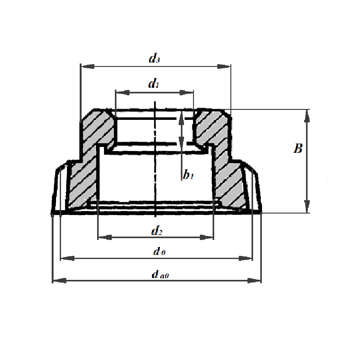
Описание товара: диаметр по вершинам зубьев, da0-111мм. делительный диаметр, d0-100мм посадка, d1-44,45мм; выточка, d2-63мм; диаметр окружности ступицы, d3-80мм; высота долбяка, B-30мм; ширина ступицы, b-12мм.

Цена:
1 Руб.
Цена на товар указана с учетом НДС 5%
Товар на переоценке

Счет на оплату придет автоматически, после оформления заказа через корзину.

Доставка по всей России