Поиск товара:

Долбяк 2536-0109 чашечный прямозубый м2,5 20° Кл-А Z=20 Р6М5 ГОСТ 9323-79

Артикул: 48831

Состояние: Новый

Кол-во на складах: 1 шт.

Вес: 205

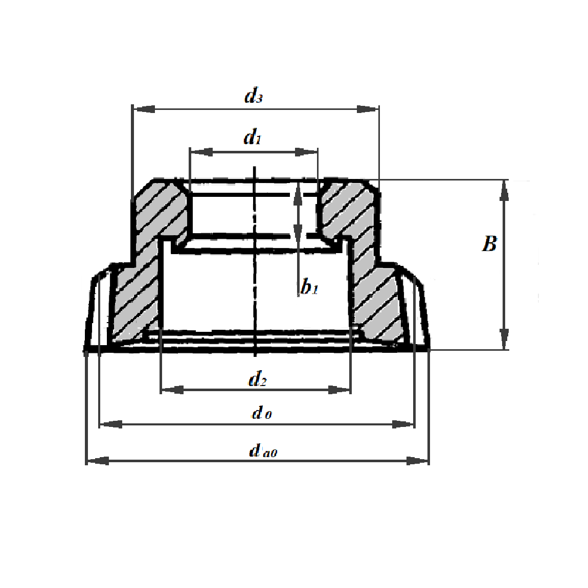
Описание товара: диаметр по вершинам зубьев, da0-56,5мм. делительный диаметр, d0-50мм посадка, d1-20мм; выточка, d2-28мм; диаметр окружности ступицы, d3-37мм; высота долбяка, B-24мм; ширина ступицы, b-11мм.

Цена:
1 Руб.
Цена на товар указана с учетом НДС 5%
Товар на переоценке

Счет на оплату придет автоматически, после оформления заказа через корзину.

Доставка по всей России