Поиск товара:

Метчик 2680-0021 конический трубный Rc 1" Р6М5 ГОСТ 6227-80

Артикул: 48120

Состояние: Новый

Кол-во на складах: 3 шт.

Вес: 360

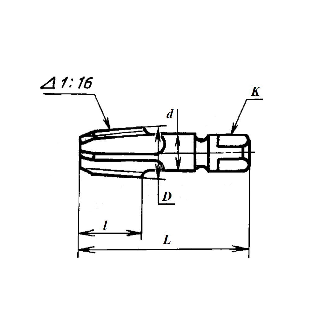
Описание товара: L-108мм, D-33,5мм, l-33мм, d-25мм, К-20мм Шаг резьбы- 11ниток/дюйм; Вид канавки-прямая; Направление спирали- правое; Угол профиля 55°.

Цена:
1 Руб.
Цена на товар указана с учетом НДС 5%
Товар на переоценке

Счет на оплату придет автоматически, после оформления заказа через корзину.

Доставка по всей России