Поиск товара:

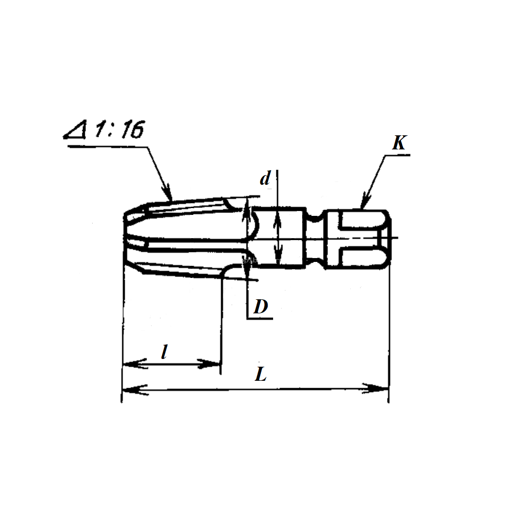
Метчик 2680-0021 конический трубный Rc 1" АР6М5 (черновой, №1) ГОСТ 6227-80

Артикул: 48118

Состояние: Следы экспл

Кол-во на складах: 1 шт.

Вес: 350

Описание товара: L-110мм, D-33,5мм, l-35мм, d-25мм, К-20мм Шаг резьбы- 11ниток/дюйм; Вид канавки-прямая; Направление спирали- правое; Угол профиля 55°.

Цена:
1 Руб.
Цена на товар указана с учетом НДС 5%
Товар на переоценке

Счет на оплату придет автоматически, после оформления заказа через корзину.

Доставка по всей России