Поиск товара:

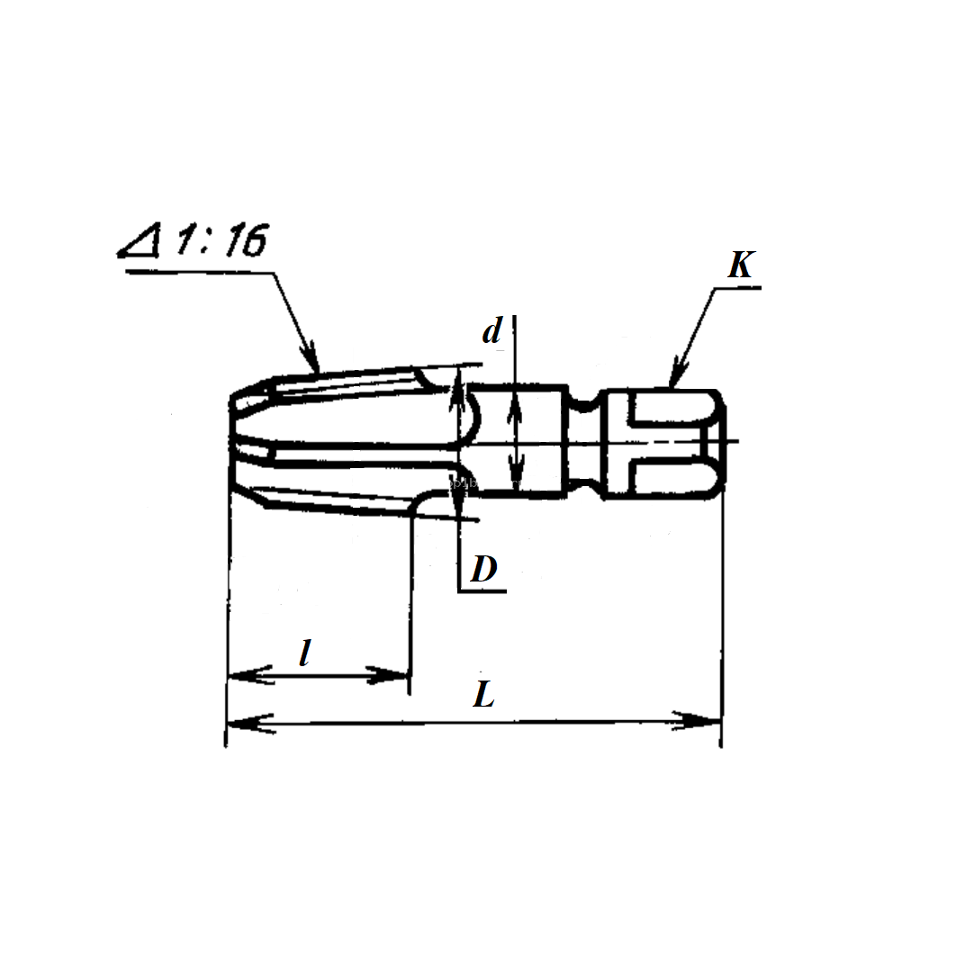
Метчик конический трубный Rc 1 1/4" Р6М5 VAP ГОСТ 6227-80

Артикул: 48107

Состояние: Новый

Кол-во на складах: 2 шт.

Вес: 655

Описание товара: L-120мм, D-42,4мм, l-46мм, d-32мм, К-24,7мм Шаг резьбы- 11ниток/дюйм; Вид канавки-прямая; Угол профиля 55°; Направление спирали- правое. покрытие - VAP(темно-серый цвет, воронение при помощи пара).

Цена:
1 Руб.
Цена на товар указана с учетом НДС 5%
Товар на переоценке

Счет на оплату придет автоматически, после оформления заказа через корзину.

Доставка по всей России