Поиск товара:

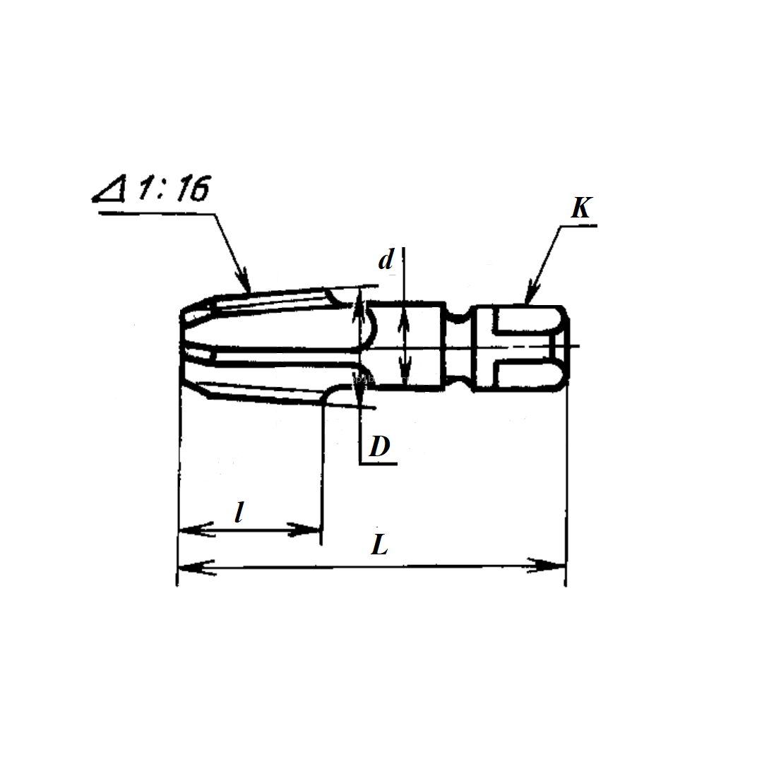
Метчик конический трубный Rc 1 1/4" Р6М5 ГОСТ 6227-80

Артикул: 48104

Состояние: Новый

Кол-во на складах: 15 шт.

Вес: 665

Описание товара: L-120мм, D-42,4мм, l-46мм, d-31,5мм, К-24,7мм Шаг резьбы- 11ниток/дюйм; Вид канавки-прямая; Угол профиля 55°; Направление спирали- правое.

Цена:
1 Руб.
Цена на товар указана с учетом НДС 5%
Товар на переоценке

Счет на оплату придет автоматически, после оформления заказа через корзину.

Доставка по всей России