Поиск товара:

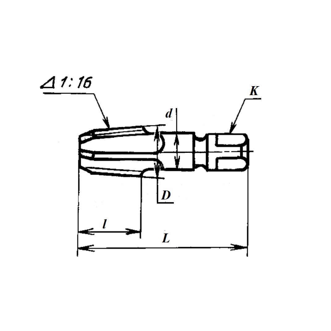
Метчик 2680-0010 конический дюймовый K 1" Р6М5 ГОСТ 6227-80

Артикул: 37776

Состояние: Новый

Кол-во на складах: 1 шт.

Вес: 440

Описание товара: L-110мм, D-34мм, l-42мм, d-28мм, К-22,3мм Шаг резьбы- 11,5ниток/дюйм; Вид канавки-прямая; Угол профиля 60°; Направление спирали- правое.

Цена:
3 136 Руб.
Цена на товар указана с учетом НДС 5%

Счет на оплату придет автоматически, после оформления заказа через корзину.

Доставка по всей России